全国服务热线0769-82252285 13662727678
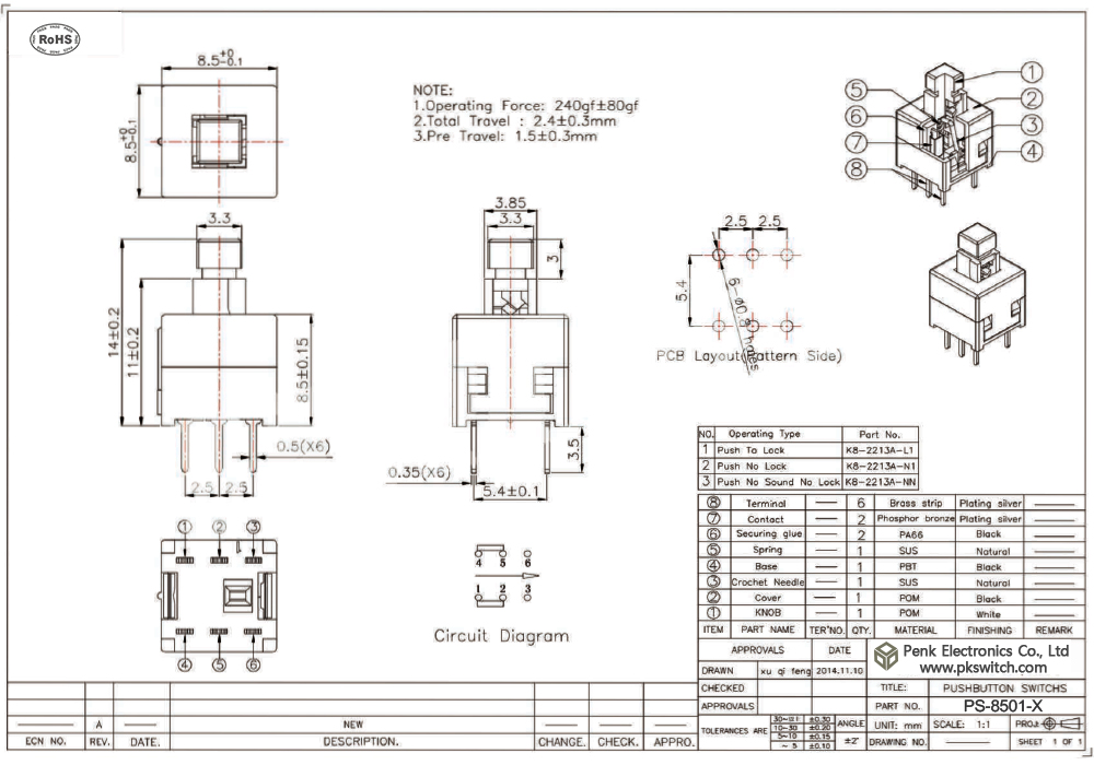
规格参数 1.额定负荷: DC 30V 0.1A 2.接触阻抗: ≤100mΩ 3.绝缘阻抗: DC 250V ≥100mΩ 4.耐焊温度: 250±5° 5s 5.使用寿命: 100000 cycles 6.使用温度: -25 ℃ to 80 ℃ 7.使用湿度: ≤85% RH 8.操作力: 240gf ±80gf
按键开关PS-8502-X
按键开关PS-8801-X
按键开关PS-8501-X
按键开关PS-7701-X