全国服务热线0769-82252285 13662727678
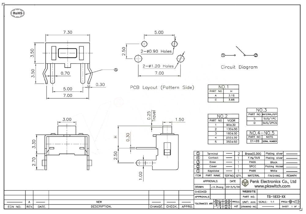
规格参数 1.额定值 : DC 12V 50mA 2.接触电阻:≤100mΩ 3.绝缘阻抗: ≥100mΩ DC250V 4.使用温度范围:-25℃+80℃ 5.环境湿度: ≤85%RH 6.操作力度 : 180gf250gf 7.机械寿命 : 100000 Cycles
轻触开关TS-3993-XX
轻触开关TS-3992-XX
轻触开关TS-3972-X
轻触开关TS-3966-XX